Finland - EU2
Spain - EUR
Italy - EUR
Germany - EUR
Sweden - SEK
Poland - PLN
France - EUR
Denmark - DKKAustria - EUR
Belgium - EUR
Bulgaria - EUR
Cyprus - EUR
Czech Republic - EUR
Estonia - EUR
Greece - EUR
Hungary - EUR
UK - GBP
Ireland - EUR
Latvia - EUR
Lithuania - EUR
Luxembourg - EUR
Malta - EUR
Netherlands - EUR
Norway - NOK
Portugal - EUR
Romania - EUR
- Rest of World - EUR
Slovakia - EUR
Slovenia - EUR
Switzerland - EUR
- Produktinformationen
-
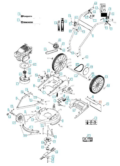
Clips, 5196534-25
Ersatzteil von Husqvarna
Passend für:
Husqvarna TF120
Husqvarna TF224 (966786701, 967258701)
Husqvarna TF324 (966786801, 967258801)
Husqvarna TF334 (967258901)
Husqvarna TF435
Husqvarna TF435P
Husqvarna TF536 (966787101, 967024601)
Jonsered
Jonsered CT2154 (965896701)
Jonsered CT2166 (965896901)
Partner
Partner PFT55 170R (966669701)
Partner PFT85 800R (966669801)
Mcculloch
Mcculloch MFT55 170R (966649401)
Mcculloch MFT85 160R (966649601)
Mcculloch MFT85 900R (967259001)
Möchten Sie in Husqvarna Explosionszeichnungen und Ersatzteilen suchen? Dann nutzen Sie bitte unseren Ersatzteilkatalog. Hier klicken um zum Ersatzteilkatalog zu gelangen. Bitte beachten Sie, dass Sie die richtige Artikelnummer immer anhand der Explosionszeichnung Ihrer Maschine überprüfen sollten. - Spezifikationen
-
Artikelnummer des Herstellers: 519 65 34-25 , 519653425 - Dateien

Finland - EU2
Spain - EUR
Italy - EUR
Germany - EUR
Sweden - SEK
Poland - PLN
France - EUR
Denmark - DKK



