Sweden - SEK
Italy - EUR
Poland - PLN
Germany - EUR
Spain - EUR
France - EUR
Finland - EU2
Denmark - DKKAustria - EUR
Belgium - EUR
Bulgaria - EUR
Cyprus - EUR
Czech Republic - EUR
Estonia - EUR
Greece - EUR
Hungary - EUR
UK - GBP
Ireland - EUR
Latvia - EUR
Lithuania - EUR
Luxembourg - EUR
Malta - EUR
Netherlands - EUR
Norway - NOK
Portugal - EUR
Romania - EUR
- Rest of World - EUR
Slovakia - EUR
Slovenia - EUR
Switzerland - EUR
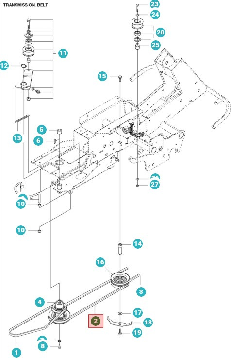
- Produktinformationen
-
Keilriemen - 5895329-01
Ersatzteil für Husqvarna Rasenmäher/Aufsitzmäher von Husqvarna Teilekatalog
Passend für (unter anderem):
Rider Proflex 21 AWD Rider Proflex 21
Ersetzt: 5310092-20, 531 00 92-20, 531009220 - Spezifikationen
-
Artikelnummer des Herstellers: 589 53 29-01 , 589532901 - Dateien

Sweden - SEK
Italy - EUR
Poland - PLN
Germany - EUR
Spain - EUR
France - EUR
Finland - EU2
Denmark - DKK


